Main
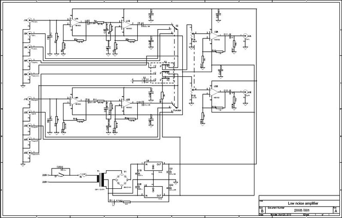
This amplifier is made to connect all my HiFi equipments without changing all the time the connections. As it is visible it has the following inputs:
- Phono input (with RIAA correction)
- CD input
- Tuner input
- Tape input
The output has an amplification of one and all inputs (without the tape) can be redirected to the tape output.
