Fő menű
Ez a keverö egy zenéléssel (diszkózással) foglalkozó ismerösöm megrendelésére készült.
A föbb paraméterek a következök voltak:
- 4 db mikrofon / soros modul (mono bemenet)
- Minden mikrofon / soros modulnál bázistávolság szabályozás a sztereo kimenethez
- 4 db lemezjátszó / soros modul (átkapcsolható)
- Minden modulnál csúcsvezérlés (Peak) kijelzés
- Minden modulnál (be- és kimeneti moduloknál is) háromsávos hangszínszabályzó
- Minden modulnál monitor kimenet
- Minden modulnál (be- és kimeneti moduloknál is) balansz szabályzás
- Kimeneti modulnál közös hangerő szabályozás
- Szimetrikus és unszimetrikus kimenet
- LED-es kivezérlésmérő
- Fejhalgató kimenet mid a kevert, mind pedig a monitorozott csatornákról
- Minden modul egy közös sínre csatlakozik
Mindennek egy darab alumínium szerszámos táskában el kell férnie.
A már említett jogvédelem miatt nem teszem az összes modult az oldalamon hozzáférhetövé, valamint nem adok olyan infókat ami az utánépítést lehetövé tenné.
A kapcsolás alapötlete az Elektor folyóiratban jelent meg 1980 és 1989 közt.
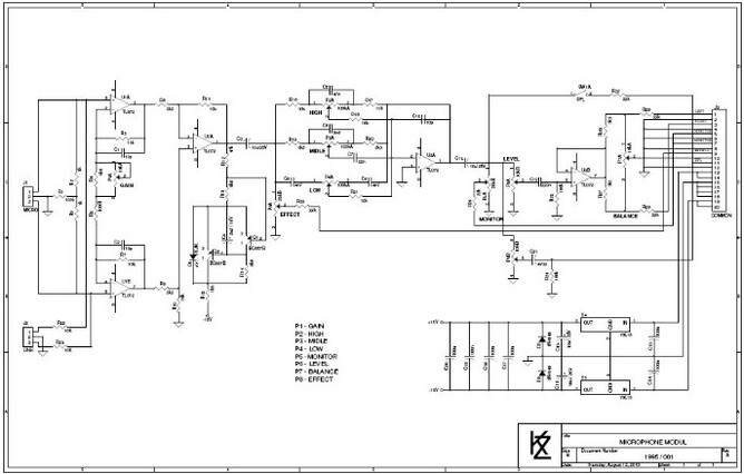
Mikrofon modul
Ez a modul a mikrofon (mono) és hangszerek jeleinek feldolgozására készült.
A hangszerek kimenete mint ismert nem szereó, hanem mono. E miatt, valamint a megrendelö kérésére 4 ilyen modul került a keveröbe. Ezzel a keverö akár kisebb zenekarok támogatására is képessé válik.
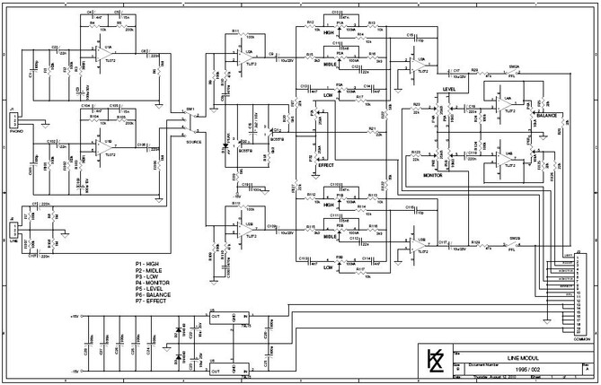
Soros modul
Ez a modul a sztereo jelforrások jeleinek feldolgozására készült.
A bemenetek átkapcsolható lemezjátszó és line bemenetek. A megrendelő kérésére 4 ilyen modul került a keverőbe.
A Kapcsolás a képre kattitntva PDF formában letölthetö, de nem adok hozzá PCB tervet.
A modul alkatrészlistáját a már említett jogi háttér miatt nem teszem közzé.
Minden esetre a PCB kontúrméretei az elözö modullal megegyeznek.
Azzal, hogy a bemeneti modulok kontúrmérete mindenütt azonos, az érhetö el, hogy a keverö bármilyen modulokból felépíthetö és ezáltal több felhasználási lehetöséget ad.
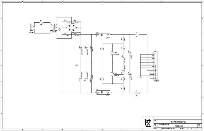
Tápegység modul
Ez a modul a keverö tápellátása.
Ennek a modulnak kell a 230V AC letranszformálásáról, egyenirányításáról és elsöszintü stabilizálásáról gondoskodnia.
A Kapcsolás a képre kattitntva PDF formában letölthetö, de nem adok hozzá PCB tervet.
A tápegység csak a fö tápellátásról, egyenirányításról és feszültség stabilizálásról gondoskodik, de mint az elözö moduloknál ez már látható volt, minden egyedi modul rendelkezik egy másodikkörös egyedi stabilizálással is.
A modul alkatrészlistáját a már említett jogi háttér miatt nem teszem közzé.
Out 1 modul
Ez a modul szolgáltatja a szimetrikus és asszimetrikus kimenö jelet, valamint tartalmazza a kivezérlésjelzöt.
Out 2 modul
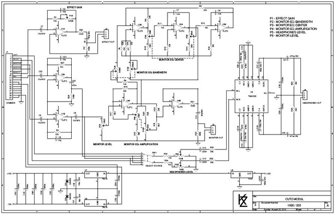
Ez a modul tartalmazza a keverő effekt kimenetét, a monitor kimenetet és a fejhallgató erősítőt.




