Go to content
Skip menu
- KZK Solutions -
Skip menu
Main

     70's - mixer 3

When I was grow up, al over the world was Discotec very famous. Of course it inspire the electronics too. If You had money enough, You could by everything, if not, You have to built it yourself.
In this time everybody want's to have:

- a fine tape recorder
- a fine LP player
- mixer
- a light orgel

and similar electronics too.

I've built some of the electronics on the following pages. As mentioned above, these shematics did not survive due to the unavailable digital archiving, so here I have taken similar ones on the Internet based on the redigitalisation. The following link, which is very similar to that what I have built.

The source You can find here.

As you can see, this mixer is already modular. As such, it is of course possible to further expand and vary the number of its modular order. Each channel includes a gain, a three-channel equalizer, a panorama / balance controller. In addition to the common output, it is possible to intercept channels (Monitor), which can be heard separately through headphones. With the mixing results, repeat tone control is possible to match the acoustics of the room as much as possible. Additionally, the stirrer also has a flow meter.



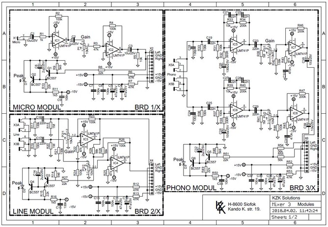
The first image contains the circuit diagram of the modules, the next is the main circuit.


Clicking on the image it can be downloaded
in PDF format.

Copyright © 2010 - 2025 KZK Solutions All Rights reserved
Last update on:
Back to content