Go to content
Skip menu
- KZK Solutions -
Skip menu
Fő menű

70-es évek Keverő 2

Amikor felnöttem, szerte a világon a disco nagyon kedvelt volt. Természetesen ez inspirálja az elektronikát is. Ha volt elég pénze, akkor mindent meg tudott venni, ha nem, akkor meg kellett építeni.
Ebben az időben mindenki szeretett volna egy:

- jó magnót
- jó lemezjátszót
- keverőt
- fényorgonát

és hasonló elektronikát is.

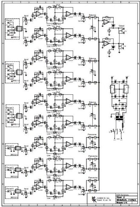
A következő oldalakon található kapcsolásokból néhányat én is megépítettem. Mint említettem, ezek a kapcsolások az akkor nem elérhető digitális archiválás miatt nem maradtak meg, ezért itt az Interneten elérhető hasonló kapcsolásokat vettem az újradigitalizáláshoz alapul. Az alábbi kapcsolás, nagyon hasonlít az általam megépítetthez.

Mint láthatja, ez már tartalmaz egy két csatornás hangszínszabályozót is, a kapcsolásba integrálva.



A kapcsolás a képre kattitntva PDF formában letölthetö.

Copyright © 2010 - 2025 KZK Solutions All Rights reserved
Last update on:
Back to content